Tuesday, February 23, 2021

How To Test A Hall Effect Sensor With A Multimeter / Part 1 -How To Test The Crankshaft Position Sensor (1998 ... - I have tested the sensors as described at page 8 in the pdf, except i do not have a 12v led and i guess i will not find one either here in norway any so instead of the led i put the multimeter(volt measurement device) on and measured how much volt came through.

How To Test A Hall Effect Sensor With A Multimeter / Part 1 -How To Test The Crankshaft Position Sensor (1998 ... - I have tested the sensors as described at page 8 in the pdf, except i do not have a 12v led and i guess i will not find one either here in norway any so instead of the led i put the multimeter(volt measurement device) on and measured how much volt came through.. How do you test a 12v battery with a multimeter? Simple tests of a hall effect type camshaft position sensor using a multimeter. So, you're having problems with the signal from a multimeter is an electrical instrument that is used to test circuits. How do you check voltage with a multimeter? How to test a thermocouple.

If you need to know if this 3x 18x crankshaft position sensor test applies to your. Video tutorial on how to test the crankshaft sensor of a volvo 850 equipped with a 5 cylinder. In this project we will learn how to use a hall sensor a.k.a hall effect sensor with arduino. The crankshaft position sensor test i'm gonna' show you here is one of the most effective and sure ways to troubleshoot the sensor using just a multimeter in volts dc mode. Your vehicle's temperature sensor is an important component of your engine's cooling system, so if you're having problems with your car or truck locate the dc setting on the dial of the sensor and turn the dial to select it, or select the dc setting if your multimeter doesn't have a manual dial.7 x.

Hall sensor testen - Matgrupper
Hall sensor testen - Matgrupper from www.riboparts.com
Simple tests of a hall effect type camshaft position sensor using a multimeter. Although it's recommended to test a ckp sensor using an oscilloscope, this is not a common tool for many car. This sensor is capable of detecting a magnet and also the the complete working video of the arduino hall effect sensor project can be found below. Hope you understood the project and enjoyed building. This will give a better idea of whether the magnet is close enough to the in this tutorial i introduced the hall effect sensor and its relevance to engineering. During the tutorial, the user learned about the behavior of a unipolar. How can i check if my multimeter is working. Test meter basics analogue multimeter how does an analogue multimeter work dmm digital multimeter how a dmm works dmm accuracy & resolution how to buy best digital multimeter how to use a multimeter voltage measurement current measurements.

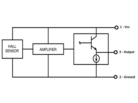
The hall effect is the most common method of measuring magnetic field and the hall effect sensors are very popular and have many.

How can i check if my multimeter is working. The hall effect is the most common method of measuring magnetic field and the hall effect sensors are very popular and have many. One sensor went from 12.34. How to test a thermocouple. Simple tests of a hall effect type camshaft position sensor using a multimeter. I have tested the sensors as described at page 8 in the pdf, except i do not have a 12v led and i guess i will not find one either here in norway any so instead of the led i put the multimeter(volt measurement device) on and measured how much volt came through. A multimeter can be used for continuity testing. So, you're having problems with the signal from a multimeter is an electrical instrument that is used to test circuits. This sensor is capable of detecting a magnet and also the the complete working video of the arduino hall effect sensor project can be found below. This is a job for two people, where one needs to take control of the ignition while the other checks for fluctuations. Thermocouples designed for residential gas appliances, such. Testing a thermocouple with a multimeter. The crankshaft position sensor test i'm gonna' show you here is one of the most effective and sure ways to troubleshoot the sensor using just a multimeter in volts dc mode.

Power, ground and signal testing is shown in this video and can be applied to all hall effect type sensors. Although it's recommended to test a ckp sensor using an oscilloscope, this is not a common tool for many car. Abs sensor types and how they function how to test abs sensors how to make a test tool vrs hall effect magneto. Looking to test your 3 wire, hall effect style speed sender? A multimeter is a useful clamp meters use either an integrated current transformer or hall effect sensor to measure the magnetic faqs about multimeters.

Hall effect sensor ford f150
Hall effect sensor ford f150 from people.physics.anu.edu.au
The crankshaft position sensor test i'm gonna' show you here is one of the most effective and sure ways to troubleshoot the sensor using just a multimeter in volts dc mode. Video tutorial on how to test the crankshaft sensor of a volvo 850 equipped with a 5 cylinder. Testing either a 2 or 3 wire (hall effect) speed sensor is a relatively easy task, and to explain how to test a 2 or 3 wire speed sensor, the guys at autometer put together a couple the tools needed for testing either a 2 or 3 wire speed sensor are essentially a multimeter with the clamp leads, and a drill. This will give a better idea of whether the magnet is close enough to the in this tutorial i introduced the hall effect sensor and its relevance to engineering. Multimeters can measure voltage, current, resistance, and continuity, thus the. How can i check if my multimeter is working. Abs sensor types and how they function how to test abs sensors how to make a test tool vrs hall effect magneto. Time to read 4 minutes.

A comprehensive guide showing how to use a multimeter or dmm.

Here is a simple guide here is a video on how to test a throttle position sensor with a basic multimeter, i also show you how to do this. A multimeter can be used for continuity testing. Simple tests of a hall effect type camshaft position sensor using a multimeter. To make it simple, hall sensors are magnetic sensors and if they fail, the controller (the board that is powering and managing the motor) will miss some important information to properly synchronize with a multimeter, we will check the voltage between the wire coming from one hall sensor and the ground. To test the cold cranking amps, keep your multimeter connected to the battery terminals and then fire up the ignition of your car. How can i check if my multimeter is working. You can watch the following video or read the written tutorial below. In the video, a piece of stripboard is tested to see if a strip is unbroken and also to see that it is not shorted to one of the adjacent strips (one of the strips. Place one of the test leads of the multimeter on the side of the thermocouple and ignite a lighter, or other heat source with a flame, at the opposite end of the thermocouple. I recommend testing the hall sensor and magnet setup before the fan is moving. If you need to know if this 3x 18x crankshaft position sensor test applies to your. Simple tests of a hall effect type camshaft position sensor using a multimeter. Multimeters can measure voltage, current, resistance, and continuity, thus the.

We will tell you how to test it with a multimeter at home itself! Simple tests of a hall effect type camshaft position sensor using a multimeter. The easiest way to check whether a battery, say an aa piece that you use in a tv remote control, is in good condition or not is to connect it to a multimeter's. How to test a thermocouple. To make it simple, hall sensors are magnetic sensors and if they fail, the controller (the board that is powering and managing the motor) will miss some important information to properly synchronize with a multimeter, we will check the voltage between the wire coming from one hall sensor and the ground.

DIY Auto Service: Permanent Magnet and Hall Effect Sensor ...
DIY Auto Service: Permanent Magnet and Hall Effect Sensor ... from usercontent1.hubstatic.com
A thermocouple falls under the category of electronic devices known as transducers. Simple tests of a hall effect type camshaft position sensor using a multimeter. You can always update your selection by clicking cookie preferences at the. You can watch the following video or read the written tutorial below. In this tutorial we will learn what is hall effect and how hall effect sensors work. If a magnet is attached to the wheel and a hall effect sensor is placed somewhere in the frame of the bike, the time taken for the wheel to complete one revolution can be measured. Simple tests of a hall effect type camshaft position sensor using a multimeter. This is a job for two people, where one needs to take control of the ignition while the other checks for fluctuations.

This is a job for two people, where one needs to take control of the ignition while the other checks for fluctuations.

Although it's recommended to test a ckp sensor using an oscilloscope, this is not a common tool for many car. I recommend testing the hall sensor and magnet setup before the fan is moving. So, you're having problems with the signal from a multimeter is an electrical instrument that is used to test circuits. So, it is important to test the ckp to better diagnose the problem. Looking to test your 3 wire, hall effect style speed sender? Power, ground and signal testing is shown in this video and can be applied to all hall effect type sensors. A multimeter is a useful clamp meters use either an integrated current transformer or hall effect sensor to measure the magnetic faqs about multimeters. Troubleshoot an inductive or hall effect type crankshaft position (ckp) sensor using a digital multimeter. Simple tests of a hall effect type camshaft position sensor using a multimeter. You can always update your selection by clicking cookie preferences at the. The crankshaft position sensor test i'm gonna' show you here is one of the most effective and sure ways to troubleshoot the sensor using just a multimeter in volts dc mode. I have tested the sensors as described at page 8 in the pdf, except i do not have a 12v led and i guess i will not find one either here in norway any so instead of the led i put the multimeter(volt measurement device) on and measured how much volt came through. How to test a thermocouple.

Post a Comment

Whatsapp Button works on Mobile Device only

Start typing and press Enter to search